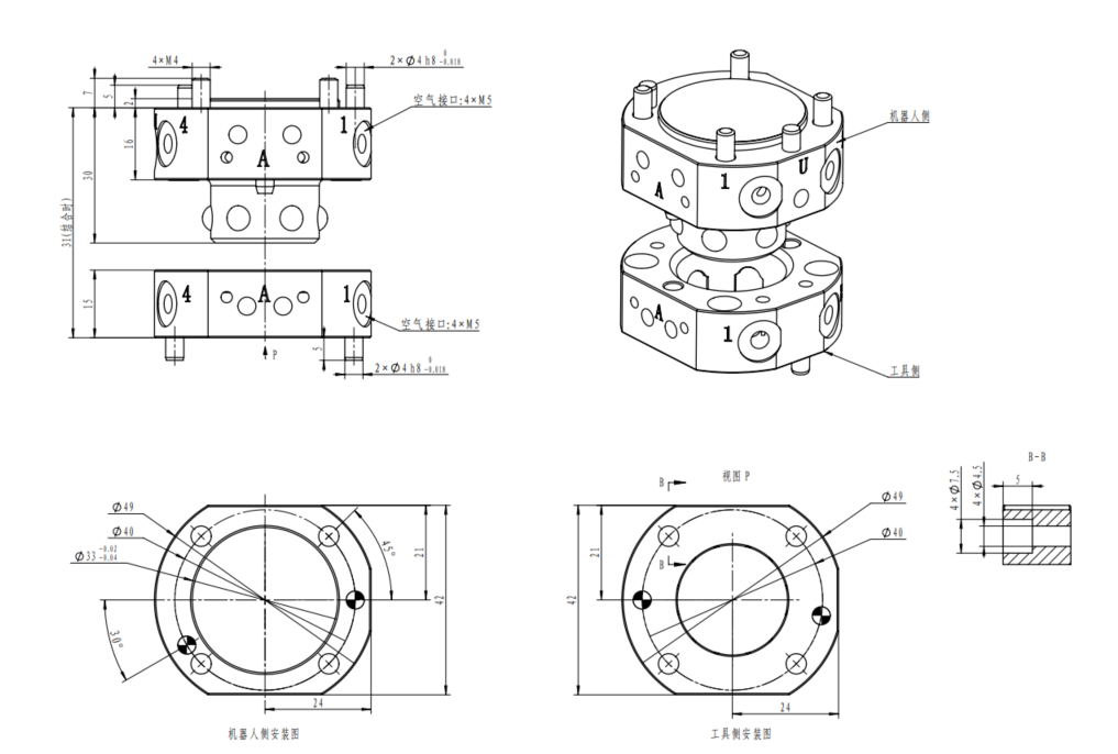
Able to support a load weighing up to 10kg
With 4 air channels and 2 module mounting surfaces
Combined body weight: 142g
Overall dimension: Φ49mm×H31mm
Equipped with a basic IO module, a face detection module, and a high frequency module
| Main body | Payload | 10kg | |
| Repeat accuracy | ±0.02mm | ||
| Static Moment Capacity | Bending moment | 26.5N·m | |
| Torque moment | 29N·m | ||
| Material | Main body | Aluminium alloy | |
| Locking mechanism | Alloy steel | ||
| Shape size (locked) | φ49mmxH31mm | ||
| Product weight | Robot side body | 98.1g | |
| Tool side body | 43.7g | ||
| Lock/Unlock mechanism | Spring self-resetting locking | ||
| Lock/Unlock Pressure | 0.45~0.8MPa(4~7kgf/m2) | ||
| Permitted temperature and humidity | 0-55°C,0-95% | ||
| Air Port | Not self sealing | 4xM5 | |

