Able to support a load weighing up to 30kg
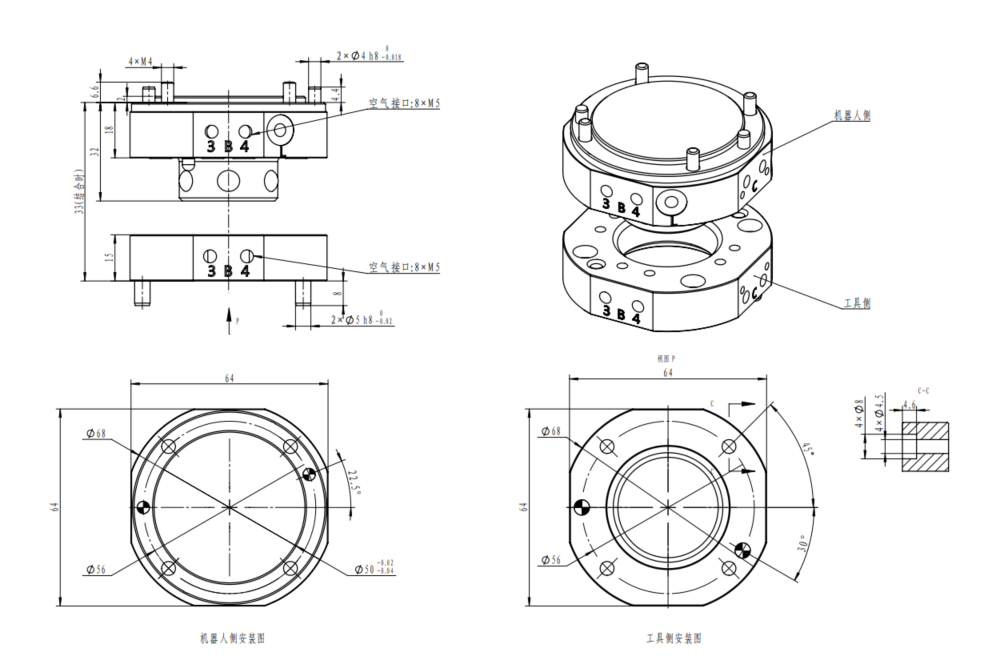
With 8 air channels and 4+1 (hooked) module mounting surface
Combined body weight: 553g (including unlock and lock sensors)
Overall dimension: Φ75mm×H45mm
Connected to mainstream collaborative robots directly through flanges in line with ISO9409-50-4-M6
Equipped with a Gigabit network module, a servo module and a parking station solution
| Main body | norm | QT-020S | |
| Payload | 30kg | ||
| Repeat accuracy | ±0.02mm | ||
| Static Moment Capacity | Bending moment | 98N.m | |
| Torque moment | 98N.m | ||
| Material | Main body | Aluminium alloy | |
| Locking mechanism | Alloy steel | ||
| Shape size (locked) | φ75mm×H45mm | ||
| Product weight | robot side | 405g | |
| tool side | 148g | ||
| Locking mechanism | Spring self-resetting locking | ||
| Lock/Unlock Pressure | 0.45~0.8MPa | ||
| General | Air Port | 8×M5(non-self-sealing) | |
| Permitted temperature and humidity | 0-55℃,0-95%(non-condensing) | ||
| Control section (optional) | Cylinder Motion Sensor | Grab the action to confirm | Built-in 1 proximity switch (DC 3-wire type) |
| Confirmation of release action | Built-in 1 proximity switch (DC 3-wire type) | ||
| In-situ sensors | Confirmation of tool presence | Built-in 1 proximity switch (DC 3-wire type) | |

