Able to support a load weighing up to 40kg
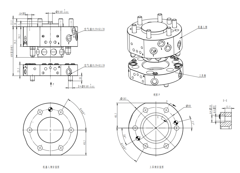
With 9 air channels and 2 module mounting surfaces
Overall dimension: Φ105mm×H60mm
Connected through flanges in line with ISO9409-80-6-M8
Equipped with a basic IO module, supporting up to 46 IOs as standard
| Main body | Payload | 40kg | |
| Repeat accuracy | ±0.02mm | ||
| Static Moment Capacity | Bending moment | 320N·m | |
| Torque moment | 320N·m | ||
| Material | Main body | Aluminium alloy | |
| Locking mechanism | Alloy steel | ||
| Shape size (locked) | Φ105mm×H60mm | ||
| Product weight | Robot side body | 1364g | |
| Tool side body | 316g | ||
| Lock/Unlock mechanism | Spring self-resetting locking | ||
| Lock/Unlock Pressure | 0.45~0.8MPa(4~7kgf/cm2) | ||
| Permitted temperature and humidity | 0-55℃,0-95% | ||
| Lock&unlock port | G1/8 | ||
| Control body | Surface detection sensor | Lock sensor | A magnetic switch Inside (DC three-wire) |
| Unlock sensor | A magnetic switch Inside (DC three-wire) | ||
| Surface detection sensor | Tool confirming | A magnetic switch Inside (DC three-wire) | |
| General | Air Port | 9 ×G1/8 | |
| Toggle switch | ldentification tool number | None | |
| Safety switch | Detection tools park | None | |

