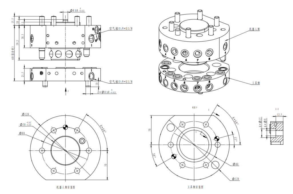
Able to support a load weighing up to 60kg
With 9 air channels and 1 module mounting surface
Overall dimension: Φ120mm×H60mm
Connected through flanges in line with ISO9409-80-6-M8
Equipped with a basic IO module, supporting up to 30 IOs as standards
| Main body | Payload | 60kg | |
| Repeat accuracy | ±0.02mm | ||
| Static Moment Capacity | Bending moment | 442N·m | |
| Torque moment | 442N·m | ||
| Material | Main body | Aluminium alloy | |
| Locking mechanism | Alloy steel | ||
| Shape size (locked) | Φ120mm×H60m | ||
| Product weight | Robot side body | 1588g | |
| Tool side body | 410g | ||
| Lock/Unlock mechanism | Spring self-resetting locking | ||
| Lock/Unlock Pressure | 0.45~0.8MPa(4~7kgf/cm2) | ||
| Permitted temperature and humidity | 0-55℃,0-95% | ||
| General | Air Port | 9×G1/8 | |
| Control body | Lock/Unlock sensor | Lock sensor | A proximity switch Inside (DC three-wire) |
| Unlock sensor | A proximity switch Inside (DC three-wire) | ||
| Surface detection sensor | TOOL Cirming | A proximity switch Inside (DC three-wire) | |
| Cylinder solenoid valve | Pneumatic control | Two-position and Five-port solenoid valve | |
| dipswitch | Identification tool number | not have | |
| safety switch | Inspection tools parked in place | not have | |

